(ENEM 2025 - 2ª Aplicação - BELÉM).
A identificação e/ou quantificação de moléculas em amostras é de extrema relevância durante um trabalho de perícia criminal. Uma maneira simples e muito útil de se fazer essa análise é reconhecer a região do espectro eletromagnético em que essas moléculas absorvem radiação. A região da luz visível vai de 400 nm a 700 nm, sendo o infravermelho a região acima de 700 nm. Uma maior concentração das substâncias está relacionada com uma maior quantidade de radiação absorvida. Dependendo da natureza da molécula e do meio onde ela se encontra, essa absorção de radiação ocorre em diferentes comprimentos de onda e com diferentes absorbâncias. Um perito avaliou três amostras de mesma concentração de uma substância em diferentes valores de pH e obteve as curvas seguintes.

De acordo com o gráfico, pode-se concluir que a elevação do pH aumenta a
O enunciado descreve uma análise espectrofotométrica, em que a absorbância está relacionada à quantidade de radiação absorvida por uma substância. No experimento, três amostras da mesma concentração foram avaliadas em diferentes pH, e o gráfico mostra que a absorbância muda com o pH.
Como a concentração é a mesma, a variação de absorbância não se deve ao número de moléculas, nem à quantidade de íons [tex]H_{3}O^{+}[tex] (que diminuiria com aumento de pH, já que o pH aumenta quando a solução fica menos ácida). Também não há menção a infravermelho, e “reatividade” não é medida diretamente pelo gráfico.
Portanto, a mudança observada indica que o aumento do pH aumenta a quantidade de energia absorvida pela substância, refletida na maior absorbância.
Portanto, alternativa "B".
(Créditos da resolução: Prof. Warles)
(ENEM 2025 - 1ª Aplicação - BELÉM).
Em 2006, o Prêmio Nobel de medicina ou fisiologia foi dado pela descrição do mecanismo de interferência de RNA, ou simplesmente RNAi. O mecanismo RNAi é um processo biológico no qual pequenas moléculas de RNA interferem na expressão gênica, tipicamente pela destruição do RNA mensageiro de um gene específico no citoplasma.
ESTEVES, B. Interferência de RNA dá prêmio a norte-americanos. Disponível em: http://cienciahoje.uol.br. Acesso em: 13 jul. 2015 (adaptado).
Nesse mecanismo, a regulação da expressão gênica ocorre pela inibição da
O texto descreve o mecanismo de RNA interferência (RNAi), que atua destruindo o RNA mensageiro (mRNA) de um gene específico no citoplasma.
O mRNA é a molécula que leva a informação genética do DNA para a síntese de proteínas. Quando o RNAi destrói o mRNA, a expressão gênica é inibida antes que a proteína seja produzida, ou seja, impede que o mRNA seja traduzido.
Portanto, alternativa "C".
(Créditos da resolução: CHATGPT)
(ENEM 2025 - 1ª Aplicação - BELÉM).
Uma pessoa pretende avaliar qual é a potência real de uma placa fotovoltaica nas condições operacionais de instalação. Ela constata que a máxima temperatura atingida pela placa é de 65 °C. O manual de instruções desse modelo de placa informa que, a 25 °C, sua potência nominal é de 250 W. Já a potência real muda com a variação da temperatura da placa, a uma taxa de − 0,4% da potência nominal a cada grau Celsius.
A menor potência real gerada, em watt, é
Dados:
Potência nominal: [tex]P_{nom} = 250 W\ a\ 25°C[tex]
Temperatura máxima: [tex] T = 65 °C[tex]
Coeficiente de potência: [tex]− 0,4\ \%\ [tex] por grau Celsius acima de [tex]25°C[tex]
Agora, determinar o aumento de temperatura
[tex]ΔT = T\ –\ 25 = 65\ –\ 25 = 40 °C[tex]
Calcular a redução percentual total
Redução percentual [tex]= 40 × 0,4 \%\ = 16 \%\ = 0,16[tex]
Por último calcular a potência real
[tex]P_{real} = P_{nom} × (1 − 0,16) = 250 × 0,84 = 210\ W [tex]
Portanto, a menor potência real gerada é: 210 W.
Portanto, alternativa "B".
(Créditos da resolução: Prof. Warles)
(ENEM 2025 - 1ª Aplicação - BELÉM).
Há um grande esforço científico no desenvolvimento de novos processos para o aproveitamento de resíduos lignocelulósicos, como o bagaço de cana-de-açúcar, para produção de etanol de segunda geração (2G). Apesar de já existirem tecnologias disponíveis, a maioria apresenta limitações técnicas ou econômicas. Nesse sentido, um dos principais desafios que envolvem a produção de etanol celulósico é disponibilizar monossacarídeos fermentáveis das moléculas poliméricas, conforme a ilustração.

SANTOS, F. A. et al. Potencial da palha de cana-de-açúcar para produção de etanol. Química Nova, n. 5, 2012 (adaptado).
Um pesquisador, para tentar otimizar a produção, poderia acrescentar ao processo de hidrólise enzimas extraídas de
O enunciado trata da produção de etanol de segunda geração (2G) a partir de resíduos lignocelulósicos, como bagaço de cana.
O desafio principal é liberar monossacarídeos das moléculas poliméricas de celulose e hemicelulose, ou seja, quebrar polissacarídeos em açúcares simples. Isso é feito por enzimas hidrolíticas, como celulases e hemicelulases, que são produzidas naturalmente por certos microrganismos que digerem celulose.
Bactérias do rúmen de bovinos. O rúmen de bovinos contém bactérias que degradam celulose e hemicelulose, produzindo celulases e xilases.
Portanto, alternativa "C".
(Créditos da resolução: CHATGPT)
(ENEM 2025 - 1ª Aplicação - BELÉM).
A industrialização, o crescimento populacional e a demanda por mais alimentos, bem como o aumento da frota veicular, entre outros, geram resíduos poluentes classificados como primários ou secundários. Os primários são aqueles lançados diretamente no ar, e muitos deles reagem com alguns componentes existentes na atmosfera (oxigênio, vapor de água, entre outros) originando os poluentes secundários.
Disponível em: https://essentiaeditora.iff.edu.br. Acesso em: 9 dez. 2021 (adaptado).
Qual poluente primário, em contato com o ar, origina um poluente secundário altamente corrosivo?
O enunciado fala sobre poluentes primários (lançados diretamente na atmosfera) que reagem no ar formando poluentes secundários, e pergunta qual gera um poluente secundário altamente corrosivo.
Dióxido de enxofre ([tex]SO_{2}[tex]). Ele reage com vapor de água na atmosfera formando ácido sulfúrico ([tex]H_{2}SO_{4}[tex]), um poluente secundário altamente corrosivo, principal responsável pela chuva ácida.
Portanto, alternativa "C".
(Créditos da resolução: CHATGPT)
(ENEM 2025 - 1ª Aplicação - BELÉM).
As temperaturas nas regiões urbanas e rurais de uma mesma cidade podem diferir significativamente. Isso ocorre, principalmente, pela diferença entre os níveis de irradiação térmica das duas regiões. Considerando que o nível de irradiação térmica nas regiões urbanas pode até mesmo superar o valor percentual de 95%, uma opção viável para minimizar esse processo e melhorar o conforto térmico no interior das residências consiste em pintar o telhado com tinta branca.
Essa opção é viável porque reduz a
• Telhados escuros absorvem a maior parte da radiação solar, aquecendo a construção e aumentando a temperatura interna.
• Pintar o telhado de branco aumenta a reflexão da radiação solar e, consequentemente, reduz a absorção de calor pelo telhado, ajudando a manter o interior mais fresco.
Portanto, alternativa "D".
(Créditos da resolução: Prof. Warles)
(ENEM 2025 - 1ª Aplicação - BELÉM).
A vazão do Rio Tietê na capital paulista aumentou de 174 m³/s no início do século XX para mais de 1 000 m³/s na primeira década do século XXI. O rebaixamento da calha foi uma obra concluída em 2005 que alargou o rio em até 30 m e o aprofundou em 2,5 m na região metropolitana. Mesmo assim, São Paulo ainda sofre com os problemas das enchentes. Governo de SP deixou de limpar o Rio Tietê por quase três anos.
Disponível em: http://noticias.uol.com.br. Acesso em: 13 nov. 2011 (adaptado).
Esse problema vem ocorrendo em outros centros urbanos e tem como causa comum o aumento da
• Em centros urbanos, a urbanização intensa transforma áreas de solo natural em asfalto, concreto e outras superfícies impermeáveis.
• Isso impede a infiltração da água da chuva no solo, aumentando o escoamento superficial e, consequentemente, a vazão dos rios e o risco de enchentes.
Portanto, alternativa "C".
(Créditos da resolução: Prof. Warles)
(ENEM 2025 - 1ª Aplicação - BELÉM).
Energia solar fotovoltaica
A energia solar fotovoltaica é renovável e limpa, associada à radiação emitida pelo Sol para gerar eletricidade. Baseia-se no denominado efeito fotoelétrico, por meio do qual determinados materiais são capazes de absorver fótons e liberar elétrons, gerando corrente elétrica. Para isso, utilizam-se placas com dispositivos semicondutores denominados células solares, ou fotovoltaicas, que podem ser feitos, por exemplo, de silício monocristalino, policristalino ou amorfo.
Disponível em: www.ecycle.com.br. Acesso em: 2 dez. 2021 (adaptado).
O principal impacto ambiental gerado pelo descarte desses dispositivos está associado ao(à)
• Placas fotovoltaicas contêm materiais semicondutores, metais pesados e outros componentes químicos que podem ser tóxicos se descartados de forma inadequada.
• Quando essas placas chegam a aterros sem tratamento, podem liberar substâncias químicas no solo e na água, causando contaminação ambiental.
Portanto, alternativa "A".
(Créditos da resolução: Prof. Warles)
(ENEM 2025 - 1ª Aplicação - BELÉM).
Nova vacina contra HIV utiliza DNA e proteínas recombinantes
Uma equipe de pesquisadores desenvolveu uma nova vacina que consiste em DNA e proteínas recombinantes. Associando a biologia molecular e a bioinformática, rastrearam o genoma viral e obtiveram uma proteína que, quando ligada a anticorpos, resulta na destruição do vírus e das células infectadas por ele. Nos testes, a vacina se mostrou capaz de induzir anticorpos contra o HIV. Essa técnica de produção de vacinas é chamada de “vacinologia reversa”.
Disponível em: https://sciam.com.br. Acesso em: 22 nov. 2021 (adaptado).
Essa tecnologia pode ser vantajosa em relação aos métodos tradicionais de preparo de vacinas porque
• A vacinologia reversa se baseia na análise do genoma do vírus e na produção de proteínas ou DNA recombinante para gerar a resposta imunológica.
• Isso dispensa o cultivo do vírus inteiro, reduzindo riscos de contaminação e tornando a produção mais rápida e segura.
Portanto, alternativa "B".
(Créditos da resolução: CHATGPT)
(ENEM 2025 - 1ª Aplicação - BELÉM).
No mundo animal, quando comparamos machos e fêmeas de uma mesma espécie, muitas vezes observamos diferenças marcantes entre eles. Em algumas espécies de aves, os machos, em relação às fêmeas, apresentam estrutura corpórea mais avantajada, plumagem com cores mais chamativas, até mesmo diferentes acessórios distribuídos pelo corpo.
O texto caracteriza qual conceito biológico?
• Dimorfismo sexual refere-se às diferenças morfológicas, fisiológicas ou de comportamento entre machos e fêmeas de uma mesma espécie, que vão além das diferenças reprodutivas.
• No exemplo do texto, essas diferenças incluem plumagem mais chamativa e tamanho corporal maior nos machos, características típicas do dimorfismo sexual em aves.
Portanto, alternativa "C".
(Créditos da resolução: CHATGPT)
(ENEM 2025 - 1ª Aplicação - BELÉM).
A febre maculosa brasileira é uma doença infecciosa febril aguda e com elevada taxa de letalidade. A transmissão se dá pela picada do carrapato do gênero Amblyomma infectado pela bactéria Rickettsia rickettsii. As capivaras e os cavalos assumem grande importância na cadeia epidemiológica da doença, pois são os principais reservatórios dos carrapatos transmissores.
Disponível em: http://portalsaude.saude.gov.br. Acesso em: 27 jun. 2015 (adaptado).
Que medida preventiva é importante para prevenir a transmissão dessa doença?
• A febre maculosa brasileira é transmitida pelo carrapato do gênero Amblyomma.
• Portanto, a medida preventiva mais eficaz envolve controle do vetor, que pode incluir métodos biológicos, químicos ou ambientais para reduzir a população de carrapatos.
• Embora o tratamento dos doentes seja importante, ele não previne a transmissão.
Portanto, alternativa "D".
(Créditos da resolução: CHATGPT)
(ENEM 2025 - 1ª Aplicação - BELÉM).
A história evolutiva do grupo ao qual pertence a planta comigo-ninguém-pode (Dieffenbachia spp.) remonta seu estabelecimento há aproximadamente 40 milhões de anos. Essas plantas podem produzir intoxicações sérias em adultos e morte de crianças e animais domésticos, pois em seus tecidos apresentam células que contêm “pequenas agulhas” de oxalato de cálcio, chamadas de ráfides, liberadas quando as células são de alguma forma danificadas.
A hipótese aceita é a de que a presença dessas estruturas teria ocorrido a partir da pressão seletiva exercida por
• As ráfides de oxalato de cálcio funcionam como mecanismo de defesa química e mecânica contra a herbivoria.
• Plantas desenvolveram essas estruturas ao longo da evolução como adaptação para reduzir o consumo por insetos herbívoros, que são os principais consumidores de folhas em ecossistemas naturais.
Portanto, alternativa "C".
(Créditos da resolução: CHATGPT)
(ENEM 2025 - 1ª Aplicação - BELÉM).
A leptospirose é uma zoonose causada por uma bactéria do gênero Leptospira. A transmissão ocorre através da penetração ativa da bactéria na pele e mucosas, quando em contato com água, alimentos ou solo contendo urina de animais infectados. Os roedores sinantrópicos comensais, como as ratazanas, desempenham o papel de principais reservatórios da doença em áreas urbanas.
Disponível em: www.bio.fiocruz.br. Acesso em: 22 jun. 2015 (adaptado).
Quais medidas são recomendadas para prevenir essa doença em áreas urbanas?
• A leptospirose é transmitida principalmente pela urina de roedores contaminando água ou solo, especialmente em enchentes ou esgotos.
• Portanto, evitar contato com água contaminada e controlar o lixo doméstico para não atrair roedores são medidas eficazes de prevenção.
Portanto, alternativa "C".
(Créditos da resolução: Curso Objetivo)
(ENEM 2025 - 1ª Aplicação - BELÉM).
Existe grande expectativa quanto ao emprego de células-tronco na terapia contra muitas doenças, uma vez que essas células podem se diferenciar em diversos tipos celulares. Um pesquisador, interessado em estudar as fibras musculares estriadas cardíacas (cardiomiócitos) obtidas de células-tronco, iniciou seu trabalho analisando a ação de cinco fatores de diferenciação celular e obteve células com as características apresentadas no quadro.

REG (retículo endoplasmático granular/rugoso);
REL (retículo endoplasmático liso);
FA (filamentos de actina).
Com qual fator de diferenciação o pesquisador deverá prosseguir em seu estudo?
O objetivo é obter fibras musculares estriadas cardíacas (cardiomiócitos). Vamos analisar cada característica:
Características dos cardiomiócitos:
• Podem ser mono ou binucleados (raramente multinucleados, isso é mais comum em músculos esqueléticos).
• Apresentam mitocôndrias abundantes devido à alta demanda energética.
• Possuem filamentos de actina e miosina, fundamentais para a contração.
• Retículo endoplasmático liso (REL) também está presente, mas o importante são as mitocôndrias e os filamentos contráteis.
Conclusão: O pesquisador deve prosseguir com o fator IV.
Portanto, alternativa "D".
(Créditos da resolução: Curso Objetivo)
(ENEM 2025 - 1ª Aplicação - BELÉM).
O conteúdo de um cilindro de gás natural veicular explodiu, liberando um volume de 15 m³ de gás, que entrou em combustão. Apesar do risco de explosão, o gás natural veicular (GNV) é um combustível bastante eficiente em termos econômicos. Apresenta densidade de 0,8 kg/m³ e seu componente principal é o metano ([tex]CH_{4}[tex]), de massa molar igual a 16 g/mol, numa concentração de 90%. É possível avaliar a energia liberada na explosão a partir das energias de ligação dos átomos envolvidos, descritas no quadro.

CHANG, R. Chemistry. Nova York: McGraw-Hill, 2010 (adaptado).
A energia, em quilojoule, gerada no momento da explosão é mais próxima de
Dados fornecidos:
• Volume de gás: V = 15 m³
• Densidade do GNV: ρ = 0,8 kg/m³
• Componente principal: metano ([tex]CH_{4}[tex]), 90% = 0,90
• Massa molar do CH₄: M = 16 g/mol = 0,016 kg/mol
Ligações e energias:
• C – H = 414 kJ/mol
• O = O = 498 kJ/mol
• C = O = 799 kJ/mol
• H – O = 460 kJ/mol
Determinar a massa de metano:
• Massa total de gás:
M(total) = V ⋅ ρ = 15 × 0,8 = 12kg
• Massa de CH₄ (90 % = 0,90):
M([tex]CH_{4}[tex]) = 0,90 ⋅ 12 = 10,8 kg
Agora, determinar o número de mols de CH₄:
[tex]n = \frac{m}{M} = \frac{10,8}{0,016} = 675\ mol [tex]
De acordo com a reação de combustão do metano, temos:
[tex] CH_{4} + 2 O_{2} → CO_{2} + 2 H_{2}O [tex]
Encontrar a energia envolvida (usando energias de ligação):
• Ligações quebradas (reações endotérmicas):
CH₄ → 4 C – H = 4 × 414 = 1 656 kJ/mol
2 O₂ → 2 O = O = 2 × 498 = 996 kJ/mol
• Total energia necessária para quebrar ligações:
[tex]E_{quebra} = 1656 + 996 = 2652 kJ/mol [tex]
• Ligações formadas (reação exotérmica):
CO₂ → 2 C = O = 2 × 799 = 1 598 kJ/mol
2 H₂O → 4 H – O = 4 × 460 = 1 840 kJ/mol
• Total energia liberada formando ligações:
[tex]E_{(formação)} = 1\ 598 + 1\ 840 = 3\ 438 kJ/mol [tex]
Calcular agora, a energia líquida liberada por mol:
[tex]E_{(liquida/mol)} = E_{(formação)} – E_{(quebra)} = 3\ 438\ –\ 2\ 652 = 786\ kJ/mol [tex]
Logo, a energia total liberada será:
[tex] E_{(total)} = 786 × 675 ≈ 5,3 × 105 kJ [tex]
Portanto, alternativa "D".
(Créditos da resolução: CHATGPT)
(ENEM 2025 - 1ª Aplicação - BELÉM).
O Brasil é um dos maiores produtores mundiais de manganês (massa molar = [tex]55 g ⋅ mol^{-1}[tex]), um metal essencial na fabricação de aço e ligas de ferro. Esse metal é obtido a partir do minério pirolusita, que contém 40% de [tex]MnO_{2}[tex] (massa molar = [tex]87\ g ⋅ mol^{-1}[tex]). A reação que ocorre nesse processo apresenta rendimento de 80% e está descrita a seguir:
[tex]2 MnO_{2} (s) + 2 Fe_{2}O_{3} (s) + 5 C (s) → 2 Mn (s) + 4 Fe (s) + 5 CO_{2} (g)[tex]
Uma indústria processa 18 t (toneladas) de minério pirolusita por dia.
A massa de manganês, em tonelada, que essa indústria produz diariamente é mais próxima de
• Encontrar a massa de MnO₂ no minério processado por dia, sabendo que o pirolusita contém 40% = 0,40 de MnO₂:
[tex]18 × 0,40 = 7,2\ t\ de\ MnO_{2} [tex]
• Pela reação, [tex]2 MnO_{2} → 2 Mn_{2}[tex], a proporção em mol é 1 : 1 (1 mol de MnO₂ produz 1 mol de Mn).
Usando as massas molares: MnO₂ = 87 g/mol e Mn = 55 g/mol. Logo, a conversão em massa é de [tex]\frac{55}{87}[tex].
• Agora, calcular a massa teórica de manganês produzida com 80% = 0,80 de rendimento.
[tex]= 7,2\ t × \frac{55}{87} × 0,80 [tex]
[tex]= 3,64\ toneladas [tex]
Portanto, alternativa "A".
(Créditos da resolução: CHATGPT)
(ENEM 2025 - 1ª Aplicação - BELÉM).
A absorção de grandes quantidades de gás carbônico da atmosfera é conhecida como sequestro de carbono. As florestas desempenham um papel importante, já que cada hectare de floresta em desenvolvimento absorve cerca de 150 a 200 toneladas de carbono, auxiliando na diminuição desse gás na atmosfera.
TONON, R. Disponível em: http://super.abril.com.br. Acesso em: 14 jan. 2014 (adaptado).
A maior parte do carbono resultante desse processo encontra-se
O sequestro de carbono realizado pelas florestas ocorre principalmente pela fixação do CO₂ na fotossíntese, transformando-o em compostos orgânicos estruturais que permanecem por longos períodos na planta.
A maior parte desse carbono não fica em metabólitos temporários (flores, frutos ou folhas), mas sim em estruturas permanentes e duráveis, responsáveis pelo crescimento da árvore.
O principal “reservatório” de carbono nas florestas é a madeira, formada principalmente por: celulose, hemicelulose e lignina, substâncias ricas em carbono presentes nas paredes celulares do xilema secundário (lenho).
Portanto, alternativa "E".
(Créditos da resolução: CHATGPT)
(ENEM 2025 - 1ª Aplicação - BELÉM).
As mulheres tendem a sofrer alterações periódicas nos níveis de hormônios sexuais. Uma exceção é o período da gravidez, época em que ocorrem menores variações hormonais.
Isso se deve à manutenção de níveis elevados do hormônio placentário:
Durante o ciclo menstrual, os níveis hormonais variam bastante devido à ação alternada dos hormônios ovarianos e hipofisários.
Na gravidez, porém, essas variações diminuem porque a placenta passa a produzir um hormônio que mantém o corpo lúteo ativo e, ao mesmo tempo, inibe a liberação das gonadotrofinas hipofisárias, estabilizando o quadro hormonal.
Esse hormônio é a gonadotrofina coriônica humana (hCG), produzida pela placenta.
• A hCG mantém elevados os níveis de progesterona e estrógeno, essenciais para a manutenção da gestação.
• Esses altos níveis hormonais exercem feedback negativo sobre a hipófise, reduzindo a liberação de FSH e LH, o que evita novas ovulações e grandes oscilações hormonais.
Portanto, alternativa "D".
(Créditos da resolução: CHATGPT)
(ENEM 2025 - 1ª Aplicação - BELÉM).
Um grupo de cientistas desenvolveu um conjunto de partículas sólidas utilizadas para ativar o sistema de defesa do nosso organismo. Durante a execução dos experimentos, observou-se que essas partículas eram englobadas para o interior das células através de projeções da membrana plasmática.
Qual processo de transporte está envolvido nesses experimentos?
As partículas descritas são sólidas e entram na célula por meio de projeções da membrana plasmática, que as envolvem e internalizam.
Esse processo caracteriza a fagocitose, um tipo de endocitose realizado especialmente por células de defesa (como macrófagos e neutrófilos), no qual: a membrana emite pseudópodes, engloba partículas sólidas, formando um fagossomo.
Portanto, alternativa "B".
(Créditos da resolução: CHATGPT)
(ENEM 2025 - 1ª Aplicação - BELÉM).
Os aldeídos fazem parte de importantes famílias olfativas encontradas em muitos alimentos. O 3-metil-butanal, por exemplo, está presente na mistura de compostos voláteis liberados na etapa de torrefação do café.
MOREIRA, R. F. A.; TRUGO, L. C.; DE MARIA, C. A. B. Componentes voláteis do café torrado. Química Nova, n. 2, 2000 (adaptado).
Uma das formas de se obter essa substância em laboratório é oxidar a molécula de
Para formar um aldeído, a via clássica de oxidação em laboratório é a oxidação controlada de um álcool primário.
O composto desejado é o 3-metil-butanal, que tem o grupo funcional –CHO.
O precursor correspondente é o álcool primário com o mesmo esqueleto carbônico:
• 3-metil-butan-1-ol ⟶ (oxidação branda) ⟶ 3-metil-butanal
Portanto, alternativa "C".
(Créditos da resolução: CHATGPT)
(ENEM 2025 - 1ª Aplicação - BELÉM).
No Rio Grande do Norte, já se produz a flor de sal, cobiçado tempero que há algum tempo aparece nos cardápios de restaurantes de alto gabarito. O processo de sua produção é artesanal, em que a água do mar é levada a tanques escavados e vai passando de um tanque para outro, ficando cada vez mais concentrada. Em determinado nível de saturação da água, o sal comum começa a se cristalizar e se precipitar no fundo. E com o sol intenso, clima seco e vento constante, a flor de sal se forma como uma fina rede cristalina na superfície da solução concentrada.
ORENSTEIN, J. Disponível em: http://blog.estadao.com.br. Acesso em: 15 out. 2015 (adaptado).
O método utilizado para a obtenção desse tempero é a
No processo descrito, a água do mar é colocada em tanques e, com sol intenso, clima seco e vento, a água evapora (EVAPORAÇÃO), aumentando a concentração da solução até ocorrer a cristalização do sal.
Portanto, alternativa "D".
(Créditos da resolução: Prof. Warles)
(ENEM 2025 - 1ª Aplicação - BELÉM).
Os dejetos de suínos têm alto poder poluidor devido à sua elevada carga orgânica e, muitas vezes, são lançados em cursos hídricos sem o tratamento adequado. Um biorreator aeróbico de biogrânulos foi desenvolvido para o tratamento desses dejetos em meio líquido. Os biogrânulos são estruturas esféricas compostas por aglomerados de diversas espécies de microrganismos do solo. Em um experimento, foram adicionados dejetos de suínos e monitoradas as formas de nitrogênio no efluente líquido do biorreator durante 40 horas. A tabela apresenta os resultados desse experimento.
Composição de nitrogênio total no efluente líquido

Nesse biorreator, a formação de amônia no efluente a partir dos dejetos suínos ocorre por
No início do experimento, observa-se que a maior parte do nitrogênio dos dejetos está na forma de nitrogênio orgânico. Com o tempo, aparece amônia (NH₃) no efluente, antes da formação de nitrito e nitrato.
Isso indica que o primeiro processo ocorrido no biorreator foi a transformação do nitrogênio orgânico em amônia, realizada por microrganismos decompositores.
Esse processo é chamado de amonificação, que faz parte da decomposição da matéria orgânica, na qual:
• proteínas, ureia e outros compostos orgânicos nitrogenados
• são degradados por bactérias e fungos
• liberando amônia (NH₃).
Portanto, alternativa "E".
(Créditos da resolução: CHATGPT)
(ENEM 2025 - 1ª Aplicação - BELÉM).
Em um reservatório industrial contendo 5 000 L de água, foi constatada a presença de íons cromo (III) dissolvidos. Para remover esses íons da água, inicialmente foi realizada a quantificação em uma alíquota de 1,0 L, por meio de alcalinização, para provocar a total precipitação do cromo (III) na forma de hidróxido insolúvel, que foi separado por filtração, seco e aquecido até a formação de 3,8 g de [tex]Cr_{2}O_{3}[tex].
Dados: massas molares ([tex]g ⋅ mol^{−1}[tex]): [tex] Cr_{2}O_{3} = 152;\ Cr = 52[tex].
A quantidade, em quilograma, de íons cromo(III) contida nesse reservatório é mais próxima de
• A quantidade de Cr₂O₃ formada na alíquota (1,0 L) de massa obtida é de 3,8 g de Cr₂O₃ e tem massa molar de M(Cr₂O₃) = 152 [tex]g/mol^{-1}[tex]. Agora, encontrar o número de mols:
[tex] n = \frac{m}{M} = \frac{3,8}{152} = 0,025\ mol[tex]
• Calcular a massa de Cr na alíquota para cada 1 mol de Cr₂O₃ contém 2 mols de Cr, Logo:
Então, em 1,0 L de água há 2,6 g de [tex]Cr^{3+}[tex].
• Agora, encontrar a quantidade de cromo correspondente:
[tex]= 2,6\ g/L \cdot 5\ 000 L = 13\ 000 g = 13 kg [tex]
Dessa forma, a quantidade de íons cromo (III) no reservatório é aproximadamente 13,0 kg.
Portanto, alternativa "C".
(Créditos da resolução: CHATGPT)
(ENEM 2025 - 1ª Aplicação - BELÉM).
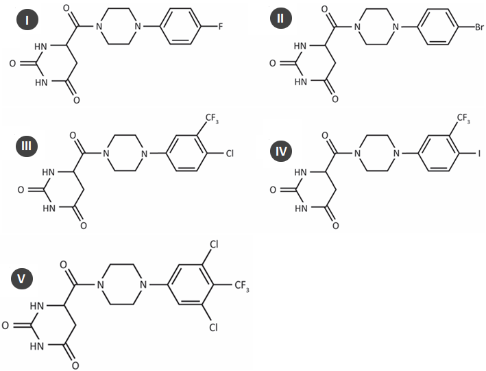
O estudo da relação entre a estrutura e a atividade biológica de substâncias é de fundamental importância no desenvolvimento de drogas para o combate a doenças. Pesquisadores avaliaram o potencial antiviral de algumas moléculas frente ao vírus SARS-CoV-2, considerando a capacidade de inibição das enzimas responsáveis pela síntese de proteínas no vírus. A interação entre o composto e o sítio ativo da enzima depende de fatores eletrônicos e estéricos, permitindo estabelecer uma relação entre a estrutura e a atividade antiviral. A maior atividade foi correlacionada a substituintes pouco volumosos e moderadamente eletronegativos presentes no anel aromático da molécula do antiviral. Nesse estudo, foram modelados os cinco compostos hipotéticos apresentados a seguir.

KNELLER, D. W. et al. Structural, Electronic and Electrostatic Determinants for lnhibitor Binding to Subsites S1 and S2 in SARS-CoV-2 Main Protease. Disponível em: https://doi.org/10.1021/acs.jmedchem.1c01475. Acesso em: 2 dez. 2021 (adaptado).
Dentre os compostos modelados, qual deve apresentar a maior atividade antiviral?
O enunciado informa que a maior atividade antiviral está associada a moléculas que apresentam, no anel aromático:
• substituintes pouco volumosos (baixo impedimento estérico);
• moderadamente eletronegativos (efeito eletrônico favorável à interação com o sítio ativo da enzima).
Em termos de relação estrutura–atividade (SAR):
• Grupos muito volumosos dificultam o encaixe no sítio ativo.
• Grupos pouco eletronegativos (como alquilas) não favorecem interações eletrônicas.
• Substituintes pequenos e eletronegativos, como halogênios leves (especialmente o flúor), costumam maximizar a atividade biológica.
Entre os compostos modelados, o que apresenta um substituinte pequeno e moderadamente eletronegativo no anel aromático é o composto II.
Portanto, alternativa "B".
(Créditos da resolução: CHATGPT)
(ENEM 2025 - 1ª Aplicação - BELÉM).
Em experimento realizado com células de raízes de cebola comum (Allium cepa), após tratamento com águas de esgoto, foi encontrada uma frequência elevada de cromossomos metafásicos característicos, não alinhados, no plano equatorial das células. Pela análise dos dados, verificou-se que essas águas podem provocar alterações celulares, com implicações para a sobrevivência dos diversos organismos expostos a elas.
Em um ciclo celular normal, as alterações observadas demonstram que essas águas interferiram na
Na metáfase, os cromossomos já estão condensados, o envoltório nuclear já se fragmentou e o DNA já foi replicado (na fase S da intérfase). O alinhamento dos cromossomos no plano equatorial depende diretamente do fuso mitótico, formado por microtúbulos que se ligam aos centrômeros.
A observação de cromossomos metafásicos não alinhados indica que houve interferência na formação ou funcionamento do fuso mitótico, impedindo o correto posicionamento dos cromossomos.
Portanto, as águas de esgoto interferiram na atividade do fuso mitótico.
Portanto, alternativa "C".
(Créditos da resolução: CHATGPT)
(ENEM 2025 - 1ª Aplicação - BELÉM).
Um tanque industrial contendo ácido clorídrico se rompeu e dele vazaram 365 kg dessa substância. A equipe de contenção de acidentes foi mobilizada e utilizou, para neutralizar o ácido, cal hidratada. Para não deixar resíduos do ácido, como margem de segurança, aplicou-se 50% a mais dessa base. A equação da reação de neutralização está representada a seguir:
[tex]2 HCl (aq) + Ca(OH)_{2} (s) → CaCl_{2} (aq) + 2 H_{2}O (l)[tex]
As massas molares do HCl e do [tex]Ca(OH)_{2}[tex] são, respectivamente, iguais a 36,5 g/mol e 74 g/mol.
Considerando a cal hidratada 100% pura, a massa de [tex]Ca(OH)_{2}[tex] utilizada na neutralização do ácido foi
• Primeiro encontrar Quantidade de [tex]HCl[tex] vazada:
Massa de [tex]HCl[tex] = 365 kg = 365 000 g
Massa molar do [tex]HCl[tex] = 36,5 g/mol
• Relação estequiométrica da reação:
[tex]2 HCl + Ca(OH)_{2} → CaCl_{2} + 2 H_{2}O[tex]
Ou seja, a cada 2 mol de [tex]HCl[tex], consome-se 1 mol de [tex]Ca(OH)_{2}[tex]. Logo:
• Calcular a massa de [tex]Ca(OH)_{2}[tex] necessária:
Massa molar do [tex]Ca(OH)_{2}[tex] = 74 g/mol
[tex]m = 5 000 × 74 = 370 000\ g = 370\ kg [tex]
• Como temos 50% = 0,50 de excesso (margem de segurança). Logo:
[tex]= 370 × 1,5 = 555\ kg[tex]
Portanto, alternativa "B".
(Créditos da resolução: CHATGPT)
(ENEM 2025 - 1ª Aplicação - BELÉM).
Descobriu-se a provável causa da alteração de cores do quadro Flores em um vaso azul, do pintor Van Gogh, de 1887. Quando usado em pinturas, o amarelo cádmio (sulfeto de cádmio) reage com o ar formando sulfato de cádmio ([tex]CdSO_{4}[tex]), que é um sólido esbranquiçado e solúvel em água, o que faz com que os pigmentos percam cor e luminosidade. Para interromper esse processo, foi utilizado um verniz. Contudo, após o uso do verniz, contendo íons de chumbo ([tex]Pb^{2+}[tex]), formou-se uma camada acinzentada no quadro.
Disponível em: http://revistapesquisa.fapesp.br. Acesso em: 2 out. 2015 (adaptado).
A equação química que representa o processo de formação da camada acinzentada no quadro é:
[tex]CdSO_{4} (sólido) + Pb^{2+} (solução) → PbSO_{4} (sólido) + Cd^{2+} (solução)[tex]
Justificativa:
• O sulfato de cádmio (CdSO₄) é solúvel em água, portanto libera íons [tex]SO_{4}^{2-}[tex] no meio.
• O verniz contém íons [tex]Pb^{2+}[tex], que reagem com o sulfato ([tex]SO_{4}^{2-}[tex]) formando sulfato de chumbo ([tex]PbSO_{4}[tex]), um sólido pouco solúvel, responsável pela camada acinzentada observada no quadro.
• O cádmio permanece em solução como [tex]Cd^{2+}[tex], caracterizando uma reação de dupla troca com precipitação.
As demais alternativas envolvem espécies metálicas no estado sólido ou reações químicas incompatíveis com o processo descrito.
Portanto, alternativa "C".
(Créditos da resolução: CHATGPT)
(ENEM 2025 - 1ª Aplicação - BELÉM).
Para melhorar seu condicionamento físico, um atleta amarra em sua cintura uma fita elástica presa a um pneu. Isso faz com que ele precise realizar um esforço muito maior para conseguir se deslocar. Durante o treinamento, o atleta pode estar nas seguintes situações:
1. em repouso;
2. movendo-se com velocidade constante;
3. acelerado.
Com relação às forças que atuam no atleta na situação 3, a força de atrito é
Na situação 3 (movimento acelerado), o atleta precisa aumentar a força resultante para vencer a resistência da fita elástica e acelerar.
Vamos analisar a força de atrito que atua no atleta:
• O atleta empurra o solo para trás com os pés.
• Pelo 3º princípio de Newton (ação e reação), o solo exerce sobre os pés do atleta uma força para frente.
• Essa força exercida pelo solo sobre o atleta é justamente a força de atrito.
Portanto, a força de atrito não é igual à força elástica, nem tem relação direta com o peso do pneu ou com a força normal. Ela é a reação à força que os pés do atleta fazem sobre o solo.
Portanto, alternativa "E".
(Créditos da resolução: Prof. Warles)
(ENEM 2025 - 1ª Aplicação - BELÉM).
Um empresário sul-africano definiu o Hyperloop como a única opção para a viagem ultrarrápida. O Hyperloop é uma espécie de trem que se locomove sem atrito, levitando magneticamente sobre trilhos, em túneis com pressão reduzida. Durante o percurso, o ar vai sendo extraído do túnel, e a diferença de pressão gerada entre a parte traseira e a frontal faz com que a cápsula com passageiros seja colocada em movimento e siga deslocando-se praticamente sem atrito e sem resistência do ar. Em vez de trilhos convencionais, ela é levitada e guiada por campos eletromagnéticos.
Disponível em: https://veja.abril.com.br. Acesso em: 21 nov. 2021 (adaptado).
O Hyperloop se desloca de acordo com o mesmo princípio físico que explica o movimento de um
O texto descreve que o movimento do Hyperloop ocorre devido à diferença de pressão entre a parte traseira e a parte frontal da cápsula, criada pela retirada do ar do túnel. Essa diferença de pressão gera uma força que impulsiona a cápsula para frente.
Esse é o mesmo princípio físico que ocorre quando:
• a pressão dentro do canudo é reduzida,
• a pressão atmosférica sobre o líquido no copo é maior,
• e o líquido é empurrado para cima, em direção à boca.
Logo, trata-se de um movimento causado por diferença de pressão, e não por ejeção de massa (como no foguete) nem por forças elétricas ou magnéticas sobre partículas.
Portanto, alternativa "B".
(Créditos da resolução: CHATGPT)
(ENEM 2025 - 1ª Aplicação - BELÉM).
A seleção natural pode alterar a distribuição da frequência de caracteres herdáveis de várias maneiras. Essa alteração acontece a partir dos fenótipos e, consequentemente, genótipos, que devem ser favorecidos em uma dada população. Entre os tipos de seleção, há um tipo cujos critérios ambientais levam à redução dos organismos que apresentam os fenótipos extremos, preservando os fenótipos intermediários em casos de herança por dominância completa.
O efeito dessa seleção nessa população implicará o(a)
O enunciado descreve um tipo de seleção natural que elimina os fenótipos extremos e favorece os fenótipos intermediários. Esse tipo de seleção é a seleção estabilizadora.
Agora, considerando herança com dominância completa:
• O fenótipo intermediário não corresponde a um homozigoto, mas sim ao heterozigoto, que expressa o fenótipo dominante, porém com valor intermediário quando analisado em termos adaptativos.
• Como os fenótipos extremos (associados aos homozigotos dominante e recessivo) são desfavorecidos, a seleção tende a manter e aumentar a frequência dos heterozigotos.
Assim, o principal efeito dessa seleção na população será: predominância de genótipos heterozigotos.
Portanto, alternativa "C".
(Créditos da resolução: CHATGPT)
(ENEM 2025 - 1ª Aplicação - BELÉM).
Para a produção de insulina recombinante, é necessária a transformação do microrganismo com a inserção do gene da insulina. No processo de síntese da insulina, várias moléculas com função predefinida se orquestram para a produção da proteína completa e ativa. Erros nesse processo podem ocorrer, por exemplo, um RNAt que deveria estar ligado ao aminoácido serina pode se ligar erroneamente ao aminoácido valina.
No caso do erro descrito, na produção da insulina ocorrerá a incorporação da
No processo de tradução, quem garante a correspondência correta entre códon do RNAm e aminoácido é o RNAt, por meio do seu anticódon.
No erro descrito:
• O RNAt específico para serina (anticódon complementar ao códon de serina no RNAm)
• foi carregado incorretamente com valina, em vez de serina.
Durante a tradução:
• Esse RNAt continuará reconhecendo apenas o códon de serina no RNAm,
• mas entregará valina no lugar onde deveria entrar serina.
Portanto, o erro resultará na incorporação de valina, em resposta ao códon de serina do RNAm.
Portanto, alternativa "D".
(Créditos da resolução: CHATGPT)
(ENEM 2025 - 1ª Aplicação - BELÉM).
Um dos procedimentos mais rotineiros em análises químicas é a extração por solvente de materiais sólidos ou líquidos. No entanto, em pesquisas prospectivas, nas quais se pretende investigar a natureza química de determinado material, procede-se à extração por solventes em sequência, em ordem crescente de polaridade, conhecida como ordem eluotrópica. Em um processo de extração, foram utilizados os seguintes solventes:

A sequência eluotrópica dos solventes utilizados é
A ordem eluotrópica solicitada é a ordem crescente de polaridade dos solventes.
Vamos comparar a polaridade de cada um:
• n-hexano → praticamente apolar
• clorofórmio → baixa polaridade
• etanol → polar (cadeia maior, menos polar que o metanol)
• metanol → mais polar que o etanol
• água → extremamente polar
Assim, do menos polar para o mais polar, a sequência correta é:
n-hexano → clorofórmio → etanol → metanol → água
Portanto, alternativa "D".
(Créditos da resolução: CHATGPT)
(ENEM 2025 - 1ª Aplicação - BELÉM).
A luz que atinge a retina desencadeia a formação de impulsos nervosos que são transmitidos para diferentes áreas do encéfalo, como representado no esquema. Para que uma pessoa possa enxergar, a informação tem que atingir o córtex visual. Quando alguma parte da via que conduz a informação até lá é lesada, ocorre perda da visão. Por outro lado, a informação que chega ao hipotálamo não participa da formação da imagem, mas influencia a secreção do hormônio melatonina pela glândula pineal. Quando há entrada de luz na retina, a secreção de melatonina é inibida.

Um médico avaliou a secreção de melatonina após iluminar a retina em dois pacientes com perda visual. No primeiro paciente (1), houve inibição da secreção de melatonina; enquanto no segundo (2), a inibição não aconteceu.
Os pacientes 1 e 2 tiveram perda visual, pois apresentavam problemas, respectivamente, no(a)
Vamos analisar com calma, seguindo o caminho da informação visual e o controle da melatonina. Pontos-chave do enunciado
1. Para enxergar
👉 a informação precisa chegar ao córtex visual.
2. Para inibir a melatonina
👉 a informação luminosa precisa chegar ao hipotálamo
(essa via não forma imagem, apenas regula a secreção hormonal da pineal).
Análise dos pacientes
🔹 Paciente 1
• Teve perda visual
• Houve inibição da melatonina após iluminação da retina
➡️ Isso significa que:
• A via retina → hipotálamo está funcionando.
• Mas a via retina → córtex visual está interrompida.
📍 Logo, o problema está após o tálamo, no córtex visual.
🔹 Paciente 2
• Teve perda visual
• Não houve inibição da melatonina
➡️ Isso indica que:
• A informação não chegou ao hipotálamo.
• Portanto, a falha está antes da separação das vias, isto é, na retina (não há sinal luminoso sendo transmitido).
Conclusão
• Paciente 1 → córtex visual
• Paciente 2 → retina
Portanto, alternativa "B".
(Créditos da resolução: CHATGPT)
(ENEM 2025 - 1ª Aplicação - BELÉM).
Um termostato é um dispositivo sensível a variações de temperatura utilizado para evitar o superaquecimento de alguns ferros de passar roupas. Um desses dispositivos é constituído por uma lâmina bimetálica de aço e latão que faz um contato elétrico. Quando a lâmina atinge uma determinada temperatura, sofre deflexão e esse contato é aberto, conforme a figura.

A deflexão dessa lâmina ocorre porque o latão, em relação ao aço, apresenta
A lâmina bimetálica é formada por dois metais unidos que, ao serem aquecidos, se dilatam de forma diferente. Essa diferença de dilatação é o que provoca a deflexão da lâmina.
Comparando latão e aço:
• O latão se dilata mais que o aço quando a temperatura aumenta.
• Isso ocorre porque o latão possui maior coeficiente de dilatação térmica que o aço.
Como os dois metais estão presos um ao outro, o metal que dilata mais “puxa” a lâmina, fazendo-a curvar e abrir o contato elétrico.
Portanto, alternativa "B".
(Créditos da resolução: Prof. Warles)
(ENEM 2025 - 1ª Aplicação - BELÉM).
O tipo predominante de excreta que um grupo animal produz está relacionado com o ambiente onde ele vive. Nesse contexto, os animais podem ser classificados em amoniotélicos, ureotélicos e uricotélicos, de acordo com o principal resíduo nitrogenado que produzem.
Qual é o fator ambiental que determina o tipo de resíduo a ser eliminado?
O principal fator ambiental que determina o tipo de resíduo nitrogenado eliminado por um animal é a disponibilidade de água.
Explicação:
• Amoniotélicos (ex.: peixes ósseos) eliminam amônia, que é muito tóxica e precisa ser diluída em grande quantidade de água.
• Ureotélicos (ex.: mamíferos e anfíbios adultos) eliminam ureia, menos tóxica, exigindo menos água.
• Uricotélicos (ex.: aves, répteis e insetos) eliminam ácido úrico, pouco tóxico e praticamente insolúvel, permitindo máxima economia de água.
Assim, quanto menor a disponibilidade de água no ambiente, mais concentrado e menos tóxico precisa ser o resíduo.
Portanto, alternativa "E".
(Créditos da resolução: CHATGPT)
(ENEM 2025 - 1ª Aplicação - BELÉM).
Alguns aparelhos do nosso cotidiano, como TVs e drones, são operados a distância por controle remoto. A diferença no sistema de controle desses aparelhos se dá em relação à radiação emitida, pois, nas TVs, o acionamento do controle remoto deve ser realizado a uma curta distância e o sistema receptor de sinal não pode estar obstruído. Por outro lado, nos drones, o sistema de controle funciona a distâncias relativamente grandes, da ordem de alguns quilômetros.
O acionamento dos equipamentos citados corresponde à emissão de ondas, respectivamente, nas regiões
Vamos comparar os tipos de radiação eletromagnética usados em cada caso.
📺 Controle remoto de TV
• Utiliza radiação infravermelha.
• Características:
* Curto alcance.
* Necessita de linha de visada (não pode haver obstáculos).
🚁 Controle de drones
• Utiliza ondas de rádio.
• Características:
* Longo alcance (quilômetros).
* Consegue contornar obstáculos e se propagar a grandes distâncias.
Assim, respectivamente, as regiões do espectro são:
infravermelho (TV) e rádio (drone)
Portanto, alternativa "D".
(Créditos da resolução: CHATGPT)
(ENEM 2025 - 1ª Aplicação - BELÉM).
Um óxido é usado como inibidor do crescimento de fungos em pinturas e em pomadas antissépticas. Esse óxido tem a propriedade de manter o pH da água inalterado. No quadro, estão apresentados os comportamentos de alguns óxidos em meio aquoso e a sua toxicidade.

O óxido adequado para essas aplicações é:
O óxido procurado deve atender a dois critérios indicados no enunciado:
1. Manter o pH da água inalterado
👉 portanto, não pode reagir como ácido nem como base (óxido neutro).
2. Ser usado em pinturas e pomadas antissépticas
👉 logo, não deve ser tóxico.
Analisando as opções com base na tabela
• PbO → não reage com água, mas é tóxico ❌
• Cr₂O₃ → não reage com água, mas é tóxico ❌
• ZnO → não reage com água e não é tóxico ✅
• P₄O₁₀ → reage como ácido, altera o pH ❌
• MgO → reage como base, altera o pH ❌
Conclusão: O único óxido que não altera o pH da água, não é tóxico, é efetivamente usado como antifúngico é o óxido de zinco (ZnO).
Portanto, alternativa "C".
(Créditos da resolução: CHATGPT)
(ENEM 2025 - 1ª Aplicação - BELÉM).
Carros elétricos põem fim ao longo reinado da rádio AM
As montadoras de automóveis estão em uma corrida rumo a um futuro eletrificado, e rádios AM estão ficando pelo caminho. O problema, dizem os especialistas, é que os motores dos veículos elétricos geram frequências eletromagnéticas do mesmo comprimento de onda que os sinais das rádios AM. “Você tem dois sinais que colidem um com o outro e se cancelam”, disse o diretor de inovação de motores e tecnologia de uma fabricante de autopeças.
Disponível em: www1.folha.uol.com.br. Acesso em: 20 nov. 2018 (adaptado).
O problema mencionado refere-se a qual fenômeno ondulatório?
O texto descreve que as frequências eletromagnéticas geradas pelos motores dos carros elétricos têm comprimento de onda semelhante ao dos sinais das rádios AM, fazendo com que os sinais “colidam” e se cancelem.
Esse cancelamento ocorre quando duas ondas se superpõem, resultando em reforço ou anulação do sinal, dependendo da fase relativa entre elas.
Esse fenômeno é chamado de interferência.
Portanto, alternativa "E".
(Créditos da resolução: Prof. Warles)
(ENEM 2025 - 1ª Aplicação - BELÉM).
Por suas belezas naturais, a região de Bonito, no Mato Grosso do Sul, é um dos destinos ecoturísticos mais procurados do Brasil. Muitas das atrações ecoturísticas que movimentam a economia local estão situadas dentro de fazendas. Por isso, diversos donos dessas propriedades decidiram criar Reservas Particulares do Patrimônio Natural (RPPNs). Nesses locais, estão recompondo aos poucos as matas ciliares e adotando outras medidas pontuais, como a instalação de ninhos artificiais para as araras nativas.
GUIMARÃES, J. R. D. Bonito ou Lindo? Disponível em: http://cienciahoje.org.br. Acesso em: 28 nov. 2018 (adaptado).
Nesse contexto, as RPPNs foram criadas porque
As Reservas Particulares do Patrimônio Natural (RPPNs) são áreas de conservação criadas voluntariamente por proprietários, com o objetivo de preservar a biodiversidade, ao mesmo tempo em que permitem atividades compatíveis, como o ecoturismo.
No texto, observa-se que:
• há recomposição de matas ciliares,
• proteção de espécies nativas (como as araras),
• e manutenção das atividades econômicas ligadas ao turismo.
Isso caracteriza o desenvolvimento sustentável, que concilia preservação ambiental, benefícios econômicos e responsabilidade social.
Portanto, alternativa "C".
(Créditos da resolução: CHATGPT)
(ENEM 2025 - 1ª Aplicação).
A primeira calça jeans foi feita por Levi Strauss e Jacob Davis para mineradores da Califórnia em 1873. Um brim mais maleável, stone-washed (lavado com pedra), foi introduzido em 1980, seguido por acid-washed (lavado com ácido). Técnicas de amaciamento envolvendo procedimentos de natureza físico-química vêm sendo substituídas por métodos biotecnológicos. Um exemplo é a utilização de celulases, produzidas por fungos do gênero Trichoderma, para digestão enzimática de parte da celulose do algodão.
TORTORA, G. J.; FUNKE, B. R.; CASE, C. L. Microbiologia. Porto Alegre: Artmed, 2016 (adaptado).
Esse método biotecnológico é considerado ambientalmente seguro porque
O texto afirma que os métodos físico-químicos (como stone-washed e acid-washed) estão sendo substituídos por um método biotecnológico, que utiliza enzimas (celulases) produzidas por fungos.
A principal vantagem ambiental do uso de enzimas é que elas:
• atuam de forma específica,
• dispensam ácidos fortes e reagentes agressivos,
• e reduzem a geração de subprodutos poluentes.
Assim, o método é considerado ambientalmente seguro porque diminui a produção de resíduos tóxicos em comparação aos processos químicos tradicionais.
Portanto, alternativa "E".
(Créditos da resolução: CHATGPT)
(ENEM 2025 - 1ª Aplicação - BELÉM).
“Rolou uma química entre nós!”. Essa expressão popular não é apenas figurativa, mas tem fundamentação científica, já que a afetividade está particularmente relacionada a um grupo de substâncias que são produzidas, circulam pelo sangue e atuam no corpo humano provocando reações e emoções.
Essas substâncias são denominadas
A expressão faz referência a substâncias químicas produzidas pelo próprio corpo, que circulam pelo sangue e atuam em órgãos-alvo, desencadeando reações fisiológicas e emoções (como dopamina, serotonina, oxitocina e adrenalina).
Essas substâncias são chamadas de hormônios.
Portanto, alternativa "B".
(Créditos da resolução: CHATGPT)
(ENEM 2025 - 1ª Aplicação - BELÉM).
O plantio do feijão requer solos que apresentem fertilidade de média a alta, pH entre 5,8 e 6,2, altos teores de cálcio, magnésio, nitrogênio, fósforo e enxofre e baixa concentração de alumínio e manganês. Um agricultor necessita iniciar a plantação de feijão em sua lavoura, que se encontra com a superfície clara e esbranquiçada, característica de solos alcalinos. Para obter um produto que possa ser aplicado diretamente ao solo, o agricultor procurou uma loja especializada, deparando-se com os seguintes produtos:

Qual é o produto indicado para corrigir o pH do solo, possibilitando o plantio do feijão?
O solo descrito pelo enunciado é alcalino (superfície clara e esbranquiçada), mas o feijão exige pH levemente ácido (entre 5,8 e 6,2). Portanto, o agricultor precisa diminuir o pH do solo, usando um produto acidificante que possa ser aplicado diretamente.
Vamos analisar os produtos:
❌ I — Al₂(SO₄)₃ (sulfato de alumínio)
• É usado para tratamento de água e correções pontuais.
• Adiciona alumínio ao solo, o que é indesejável, pois o próprio enunciado diz que o feijão exige baixa concentração de alumínio.
• Inadequado agronomicamente.
✅ II — (NH₄)₂SO₄ (sulfato de amônio)
• É um fertilizante (fornece nitrogênio e enxofre).
• O íon NH₄⁺ (amônio), ao ser nitrificado no solo, libera H⁺, o que: acidifica o solo e reduz o pH.
• Pode ser aplicado diretamente ao solo.
• É amplamente usado para corrigir solos alcalinos.
❌ III — HNO₃ (ácido nítrico)
• É ácido forte, mas:
• não pode ser aplicado diretamente ao solo é corrosivo e perigoso.
• Descartado pelo próprio enunciado.
❌ IV — NaNO₃ (nitrato de sódio)
• Aumenta o pH.
• Usado em solos ácidos, não alcalinos.
• efeito oposto ao necessário.
❌ V — NaNO₃ (nitrato de sódio)
• Fertilizante, mas:
• não acidifica o solo
• pode até aumentar a salinidade
• não corrige pH.
Portanto, alternativa "B".
(Créditos da resolução: CHATGPT)
(ENEM 2025 - 1ª Aplicação - BELÉM).
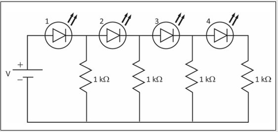
Um circuito é utilizado para determinar a tensão da bateria, representada na figura pela letra V. Os dispositivos numerados de 1 a 4 apresentam resistência desprezível à passagem de corrente e, quando percorridos por uma corrente igual ou superior ao valor limiar, passam a emitir luz. O projeto representado no diagrama pode ser usado para avaliar a tensão, verificando-se quantos dispositivos acendem. Nele, todos os dispositivos são idênticos, e a corrente limiar é de 25 mA.

Um estudante utilizou inicialmente uma bateria de 9 V no circuito (situação A) e depois a substituiu por uma bateria de 12 V (situação B).
Manual de operação e instalação. Disponível em: www.renesola.com.br. Acesso em: 30 nov. 2021 (adaptado).
Em cada situação, quais dispositivos acenderam?
Os dispositivo (LED) estão em paralelo e tem resistência desprezível.
👉 Cada LED está ligado a um resistor de 1 kΩ para o terra, formando ramificações independentes. Isso significa que a corrente que faz cada LED acender depende da tensão naquele ponto específico do circuito.
🔽 A tensão diminui progressivamente do LED 1 para o LED 4.
Corrente mínima para acender é, sabendo que cada LED só acende se a corrente no seu resistor for 𝐼 ≥ 25 mA. Sabemos que 1 kΩ = 1000 Ω.
Análise das duas situações
🔹 Situação A — bateria de 9 V
Calcular a resistência equivalente (4 resistores em paralelos e iguais).
[tex]R_{(equiv.)} = \frac{1\ 000\ Ω}{4} = 250 Ω [tex]
Agora, encontrar a corrente (i):
[tex] U = R_{(equiv.)} \cdot i \Longrightarrow i = \frac{U}{R_{(equiv.)}} = \frac{9}{250} = 0,036 A = 36\ mA[tex]

LED 1: recebe tensão suficiente → acende
LED 2: ainda recebe corrente ≥ 25 mA → acende
LEDs 3 e 4: tensão insuficiente → não acendem
✅ Acendem: 1 e 2
🔹 Situação B — bateria de 12 V
Encontrar a corrente (i):
[tex] U = R_{(equiv.)} \cdot i \Longrightarrow i = \frac{U}{R_{(equiv.)}} = \frac{12}{250} = 0,048 A = 48\ mA[tex]

LED 1: recebe tensão suficiente → acende
LED 2: ainda recebe corrente ≥ 25 mA → acende
LEDs 3 e 4: tensão insuficiente → não acendem
Portanto, alternativa "A".
(Créditos da resolução: CHATGPT)
(ENEM 2025 - 1ª Aplicação - BELÉM).
O manual técnico de instalação de telhas de PVC indica a inclinação mínima que deve ter uma cobertura. Seguindo essa orientação, foi construída uma edificação conforme a figura.

Para coletar as águas das chuvas, é utilizada uma calha, que está no solo a uma distância horizontal D da base do telhado. O telhado apresenta inclinação de 30°. Como sua base se encontra a uma altura de 3 metros em relação ao solo, o tempo de queda das águas é de 0,6 segundo. Com isso, somente as águas das chuvas mais fortes, que escoam pelo telhado a uma velocidade de módulo [tex]V = 4\ m/s[tex], são coletadas diretamente pela calha.
Considere [tex]g = 10\ m/s^{2}[tex], [tex]sen\ 30° = 0,50[tex] e [tex]cos\ 30° = 0,87[tex].
A distância horizontal D da calha à base do telhado é mais próxima de
Observe que a água sai da extremidade do telhado com velocidade:
• módulo: [tex]V = 4\ m/s[tex]
• direção: mesma inclinação do telhado, ou seja, 30° abaixo da horizontal
• Depois disso, a água faz um movimento de projétil até atingir a calha no solo.
Pela componente horizontal, temos:
[tex]V_{x} = V \cdot cos\ 30º = 4 \cdot 0,87 = 3,48\ m/s [tex]
Pela componente vertical (para baixo):
[tex]V_{y} = V \cdot sin\ 30° = 4 \cdot 0,50 = 2,0\ m/s [tex]
Cálculo da distância horizontal D (movimento horizontal)
[tex]D = V_{x} \cdot t = 3,48 \cdot 0,6 = 2,088 m [tex]
Portanto, alternativa "D".
(Créditos da resolução: CHATGPT)
(ENEM 2025 - 1ª Aplicação - BELÉM).
Os satélites artificiais e as sondas para exploração espacial são algumas das grandes realizações humanas desenvolvidas no último século. Para coletar e armazenar informações ao longo de anos, esses equipamentos precisam de energia. Como forma de fornecer energia limpa ao satélite, são acoplados diversos painéis de células solares, que, em fotografias, muitas vezes são confundidos com “asas”. Um satélite geoestacionário precisa armazenar a energia obtida pelos seus painéis solares em suas baterias. Como forma de otimizar o processo de absorção da energia solar, o ideal é que a superfície dos painéis mantenha-se perpendicular aos raios solares incidentes. Para isso, foi adaptado um sistema que rotaciona os painéis solares com velocidade angular constante.
Qual é a velocidade de rotação dos painéis em comparação à velocidade de rotação da Terra ([tex]R_{T}[tex])?
👉 Ideia física principal
• O satélite é geoestacionário → ele gira junto com a Terra.
• Isso significa que:
* o satélite acompanha a rotação da Terra, ficando sempre sobre o mesmo ponto do planeta.
• Logo, em relação ao Sol, a direção dos raios solares muda ao longo do dia, devido à rotação da Terra.
👉 Condição para máxima absorção
• Para maximizar a energia absorvida, o painel deve ficar sempre perpendicular aos raios solares.
• Como a Terra gira, a direção Sol–satélite varre 360° em 24 horas.
• Portanto, o painel precisa girar com a mesma velocidade angular com que a Terra gira, para acompanhar essa variação.
👉 Comparação das velocidades angulares
• Velocidade angular da Terra: [tex]R_{T}[tex]
• Velocidade angular necessária do painel: [tex]R_{T}[tex]
Logo, O painel deve girar à mesma taxa angular da Terra para permanecer perpendicular aos raios solares.
Portanto, alternativa "C".
(Créditos da resolução: CHATGPT)
Nenhum comentário:
Postar um comentário